S-PORT
QUICK RELEASE: S-PORT (MIO QUICK RELEASE)
S-Port also known as Gremsy Mio Quick Release. A standard Quick Release across multiple light products enables the hot swap functionality of payloads or gimbals, thereby enhancing the optimization of drone systems for diverse photogrammatical missions such as mapping, inspection, surveying, etc. and efficiency during these missions.

This product is compatible with
VIOZIOPixy LR SPMIOI/O CONNECTION
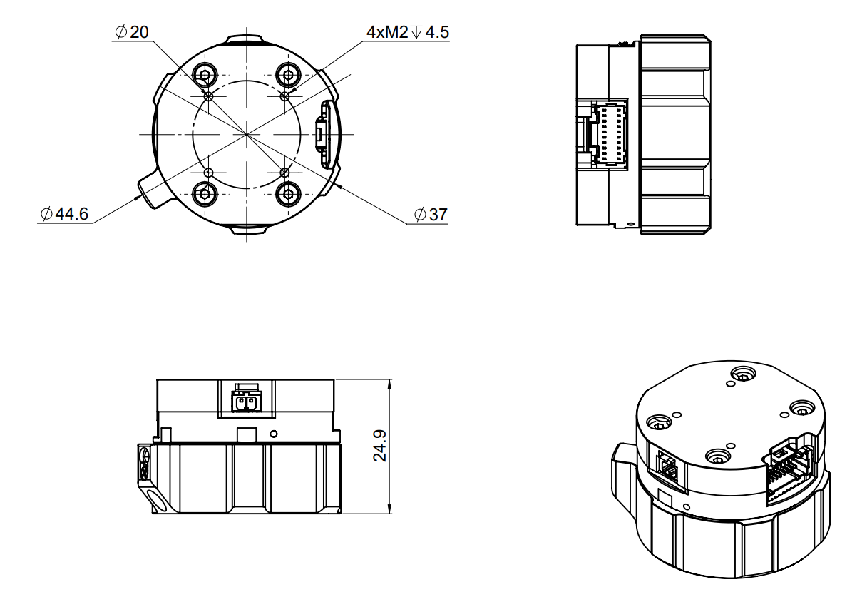
1. POWER: 
Input range: 14.5V-52V Connector type: JST SM02B-SFKH-TF

2. USB: 
Use to interface with computer or upgrade firmware. Connector type: Micro USB type B

3. HDMI: 
Use to output video from the camera Connector type: HDMI micro

4. MTX: 
Multiplex port that combines AUX , COM1/COM2/COM4 ,CAN, SBUS,PPM into a single connector.
In order to access these interfaces easily, it is necessary to use MTX hub.
Connector type: 3 pin, 2.54mm pitch

CONNECT QUICK RELEASE
STEP 1: The marks on the top part and bottom part must be aligned. The mark on the ring should be aligned with the unlocked icon as shown in the first picture.
STEP 2: Keep everything aligned and attach the bottom part to the top part.
STEP 3: Rotate the ring clockwise until the mark on the ring aligned with the locked icon.

DISCONNECT QUICK RELEASE
STEP 1: Rotate the ring counterclockwise.
STEP 2: When the mark on the ring aligned with the unlock icon, the MIO can be detached from the top part of the Hyper Quick Release.

MOUNTING HYPER QUICK RELEASE
- Using 4xM2.5 to mount the top part onto the frame or damping isolator. 
- Pay attention to the arrow on the hyper quick release, which indicates the home or forward position of the gimbal. 
- Connect the power cable to the Hyper Quick Release. 
- Connect the MTX cable to the Hyper Quick Release and MTX hub. 

Last updated
Was this helpful?
